发布日期:2026-01-07
2025年7月《中国城镇供热发展报告2024》正式出版发行,面向全行业发布!这份报告不仅汇集了行业最新统计数据,更优选了来自全国各地的13家供热企业在节能降碳、降本增效方面的成功实践,为行业低碳转型升级提供了宝贵的经验。第八届中国供热学术年会上,协会为入选"2024年度中国供热行业节能减碳增效优秀案例"的13家企业颁发了荣誉证书。
本期分享青岛顺安热电有限公司余热回收与超净排放协同技术提高热效率的工程实践。

(1)企业基本情况
青岛顺安热电有限公司(以下简称顺安热电)成立于2012年9月,现隶属于青岛北岸控股集团有限责任公司,承担着青岛市城阳区95%以上居民及180家企事业单位的供热任务,拥有总供热能力达1313MW的集中热源和分布式热源。2023-2024供暖期供热配套面积3488万㎡,实际供热面积2286万㎡,居民热用户突破23万。自2018年国有化以来,顺安热电得到了长足发展,供热面积增幅达150%,能耗同比下降46.4%,投诉下降93.2%,2020年-2023年主营业务累计收入14.16亿元,累计减亏4.6亿元。
在省、市、区政府及各级主管部门的正确领导和大力支持下,顺安热电始终坚持以党建为引领,牢固树立“厚德笃行 团结致远”的企业精神,努力秉承“安全、民生、低碳”的发展宗旨,着力打造“绿色低碳与优质服务高质量发展”的企业形象,大力推进节能降碳技术的研究应用,为推动供热行业的科技创新做出了积极的贡献,同时也积累了大量可复制、可推广的经验。例如:以提高热源效率为落脚点,实施了全国首例热电厂燃煤锅炉烟气余热全回收项目、垃圾发电余热利用项目,以及开发了智慧供热平台项目。2023年11月,顺安热电作为山东省唯一一家供热企业获评首批省“绿色低碳高质量发展先行区建设企业”试点单位;入选首家省级“智能+”供热服务标准化试点单位、“减污降碳协同创新试点单位”等多项殊荣。2022-2024年连续三年被中国城镇供热协会评为“中国供热行业能效领跑者”,其中2024年能效综合指标在供热面积5000万㎡以下企业中排名第七,并取得燃煤锅炉效率排名第一、系统热量输送与换热效率排名第四、热力站单位面积补水量排名第七的好成绩。
(2)热源节能改造与综合利用情况
在国家“双碳”目标指引下,顺安热电以为城阳区经济社会发展提供“可靠、低碳、低成本”的能源保障为己任,坚持围绕“降碳、减污、增效”三个维度开展工作,大力推进煤炭消费替代和转型升级,充分发挥能源“梯级利用”和“循环利用”作用,围绕中心热源完善“热电联产+新能源新型供热”模式。目前已完成循环水供热改造项目、汽轮拖动三位一体项目、“余电利用+烟气源热泵”清洁供暖示范项目等,实现了高压蒸汽发电、蒸汽汽轮拖动、低温热源供热等梯级综合供能方式。特别是与清华大学合作实施的余热利用与超净排放协同技术研究,项目投运后实现了“废气、废水、废渣”协同处理利用,发挥烟气余热深度回收技术、供热与污水净化协同技术最大效益,全厂热效率达到95%,供热煤耗降低至35.6kgce/GJ,达到国内领先水平。
持续多年的节能挖潜改造与技术创新使得城阳区热源形式更加丰富,供热系统结构持续优化,形成全区供热互联互通“一张网”布局。
(1)项目背景
随着环保要求的提高,燃煤电厂的烟气和废水污染物排放限制越来越严格,目前常规的烟气超低排放、废水零排放等技术投资大、能耗高,进一步加重了电厂的运营负担。
排烟温度过高是燃煤火力发电厂热损失的主要原因之一,为了减轻尾部换热面和烟道的腐蚀,排烟温度一般在100℃以上,远高于环境温度。排烟中蕴含的热量(显热+潜热)约占燃料热值的7%~10%。(按降温至20℃计算),烟气经过传统的湿法脱硫后成为饱和或接近饱和湿烟气,虽然相比于脱硫前的烟气温度有所降低,但烟气中的大量显热转变为冷凝潜热,热量几乎没有减少。
针对湿法脱硫后烟气的低温、高湿特点,可利用“烟气直接喷淋降温+蒸汽式驱动吸收式热泵”工艺,将烟气温度降至25℃,回收的烟气余热并入高温水一次管网。2019年,顺安热电与清华大学合作,研发并建成烟气余热回收一期示范项目(图7-19),对168MW的燃煤热水锅炉增设烟气深度余热回收系统,回收脱硫后烟气余热用于供暖,系统设计工况可回收热负荷15MW。2020年建成烟气余热回收二期示范项目,对2台75t/h、1台130t/h燃煤蒸汽锅炉、2台116MW燃煤热水锅炉增设烟气深度余热回收系统,设计工况可回收热负荷30MW(图7-19)。

(2)技术原理及工艺流程
2022-2023年供暖期对烟气余热回收一期示范项目进行了改造,在原有吸收式热泵烟气余热回收系统的基础上,进一步利用电动压缩式热泵深度回收烟气余热,将烟气喷淋换热塔进行“高、低温”两段式改造,利用具有特殊结构设计的雨帽层,有效阻断两段之间的喷淋水交换,且不产生过大的烟气阻力(<300Pa),烟气温度可由25℃降至15℃,新增余热回收负荷3MW,锅炉热效率可提高10%左右(图7-20)。

图7-20 雨帽三维结构图及内部压力图、内部流线图
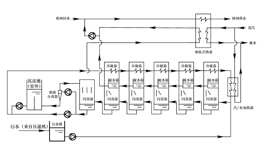
以降温至15℃为例,热电厂每回收1GJ烟气热量,可同时回收0.3m³的烟气冷凝水,每个供暖期可回收冷凝水近20万m³。烟气冷凝水的大量回收,可有效改善烟囱“冒白烟”“石膏雨”的现象;同时,回收的冷凝水可以作为脱硫塔补水,减少脱硫过程的水量损失。但由于回收的水量太大,打破了脱硫系统乃至整个电厂系统原有的水平衡,导致电厂污水排放量增加,为此,项目组进一步改进传统热法污水处理工艺,将吸收式热泵和热法废水处理集成一体,以蒸汽驱动吸收式热泵回收热法废水处理工艺的末级闪蒸余热用于供热,并将净化水用于热网补水。
废水零排放工艺主要由废水预处理水箱、闪蒸器、离心分离机以及附属管路设备构成。脱硫废水以及烟气凝水汇合后,先进入废水预处理水箱,在废水预处理水箱中,通过添加碱液、絮凝剂,以及分层多重沉淀等措施,将待处理废水中的钙镁离子转变为固态不溶盐类,这部分不溶于水的盐分析出后作为固体废弃物排出系统。经过预处理之后的废水接着就进入闪蒸器,在该设备中被加热然后闪蒸结晶,废水闪蒸产生水蒸气以及含有固态盐的悬浊液,该悬浊液通过污水泵进入离心分离机,离心分离机旋转分离出悬浊液中的固体,作为固体废弃物排出,而分离后产生的清液则返回闪蒸器,进一步的闪蒸结晶(图7-21)。
闪蒸产生的水蒸气则在闪蒸器中与热网水进行换热,在换热的过程中,水蒸气冷凝产生的冷凝水作为废水处理的产物,可以用于电厂系统内各个子系统的补水,也可以用于锅炉或热网补水,实现水资源的再次利用。热网回水进入闪蒸结晶设备中,换热升温后流出闪蒸结晶设备,进入热网换热器进一步加热升温(图7-22)。

图7-21 吸收式热泵、电压缩热泵联合超低温烟气余热回收与净化技术工艺流程

图7-22 废水净化技术工艺流程
通过余热回收利用与废水净化协同技术解决了传统废水处理的技术难题,做到近零能耗条件下的废水零排放,既满足了环保要求,又实现了废水和结晶盐的回收利用。在满足环保要求的同时产生一定的经济收入,提高了电厂水资源利用效率和经济效益,改变了传统环保技术投入大却无经济收益的境况,且比其他处理方式降低能耗90%。
(3)技术创新点
1)电动压缩式热泵与吸收式热泵联合深度回收烟气余热
吸收式热泵采用汽轮机抽汽驱动,回收高温喷淋段余热;压缩式热泵采用电能驱动,回收低温喷淋段余热,可深度回收烟气中的水分和冷凝潜热,两者输出的热能均用于热网水加热,可降低热源产热成本和煤耗。
2)采用烟气相变低温凝并技术实现多污染物联合脱除
在热泳、扩散泳等作用下,实现了细颗粒物、可凝结颗粒物、SO3(硫酸雾)、逃逸浆液滴的协同脱除,低温喷淋提高了SO2的溶解度;提高调整两段喷淋水的PH、喷淋密度、喷孔直径等参数,达到最佳的联合降污减排效果。实测排烟中的各项污染物浓度均达到超低排放标准,可完全代替湿式静电除尘器,污染物超低排放治理成本得到有效控制。
3)吸收式热泵和热法废水处理工艺相结合
利用热电厂原有换热过程(汽轮机抽汽直接加热热网水)中的温差作为吸收式热泵的驱动力,实现了低能耗、低成本废水净化,具有废水浓缩、固化结晶、水质适应性强、预处理费用低等优点。
根据不同燃煤热电用户的具体情况,可在烟气余热利用与烟气超净排放协同技术应用上进一步进行系统拓展。例如,将烟气余热回收技术、低能耗废水净化技术与跨季节储热技术相结合,能够解决在非供暖期燃煤电厂超低排放以及烟气余热回收后的利用问题,实现非供暖期的废水零排放,不仅提高能源利用效率,也进一步降低污染,保护了生态环境。若将烟气余热回收技术与日间蓄热技术相结合,可以在电力过剩时段利用多余的电能来驱动烟气余热回收和烟气净化,从而参与电力调峰,平衡电网负荷。这些技术的拓展不仅可以提高技术应用的适应性和灵活性,也增加了经济性,为可持续发展提供了有力的技术支持。
(1)节能效益
余热利用与烟气超净排放协同技术应用项目总投资7000万元,余热回收负荷约48MW,每个供热期回收热量为47万GJ、锅炉热效率提高近10个百分点、回收凝水量11.88万m³、折合节省标准煤量约1.35万t,产生经济效益约为3368.36万元,2.1年可收回投资。
在废水零排放方面,该项目与目前国内外常用技术相比,无论是初投资还是运行成本均大幅度降低,项目对10m³/h的废水进行处理,回收并利用水为8m³/h,1m³水的处理电耗为5.9kWh,且所消耗的蒸汽热量全部传递给热网水,有效降低运行能耗。如果考虑净水收益,本项目每净化1m³废水可增加收入7.2元(表7-12)。

*表示不计净水收益,**表示计净水收益。
注:除本项目外,其它方式的成本来源于相关文献。
(2)减排效益
该项目对烟气显热和潜热进行深度回收,同时进行烟气二次洗白和降温,进一步降低了污染物的排放,烟气经过降温后,其内部的污染物浓度显著降低。
项目投运后,分别针对两种工况(只开下段喷淋和两段喷淋都开),详细测量了烟气中可凝结颗粒物(CPM)、颗粒物(FPM)和硫酸雾三种主要污染物浓度(图7-23)。对比喷淋塔进出口烟气污染物浓度可以看出,除了氮氧化物变化不大以外,其他污染物浓度都有大幅度降低,颗粒物(FPM)浓度低于检出限(1mg/m3),具体见表7-13。
烟气余热深度回收技术每个供暖期减排CO2约35180.5t、减排SO2约79.5t、减排NOx约40.2t、减排烟尘约940t。


供热与污水净化协同技术每个供暖期处理脱硫废水33840m³、产生净水27072m³,实现了废水的零排放。
(3)项目成果
自燃煤电厂余热利用与超净排放协同技术于顺安热电实施伊始,便严格依循既定规划与标准,凭借先进技术与理念,有力保障了项目的高质量推进。该项目不仅在节能减排层面达成预期目标,其成功应用亦获得广泛关注与认可,烟气余热全回技术荣列青岛市节能低碳重点技术推广目录,供热与污水净化协同示范项目荣获“中国供热节能最佳实践案例奖”,并列入《中国建筑节能年度发展研究报告2023(城市能源系统专题)》“低碳供热最佳实践案例”。在燃煤电厂余热利用与超净排放协同技术领域申请发明专利达10项,授权实用新型专利22项,发表学术论文36篇。2024年4月2日,经中国能源研究会、中国城镇供热协会9位院士、专家组成的专家组鉴定认为,该项目在热电联产集中供热领域的减污降碳、协同增效方面取得重大突破,余热利用与烟气超净排放协同技术、余热利用与废水净化协同技术均具备显著独创性;项目成果整体已达国际领先水平,对我国北方地区燃煤清洁供热节能减排有着极为重大的意义。